- Описание
- Отзывы о товаре
- Задать вопрос
- Дополнительно
-
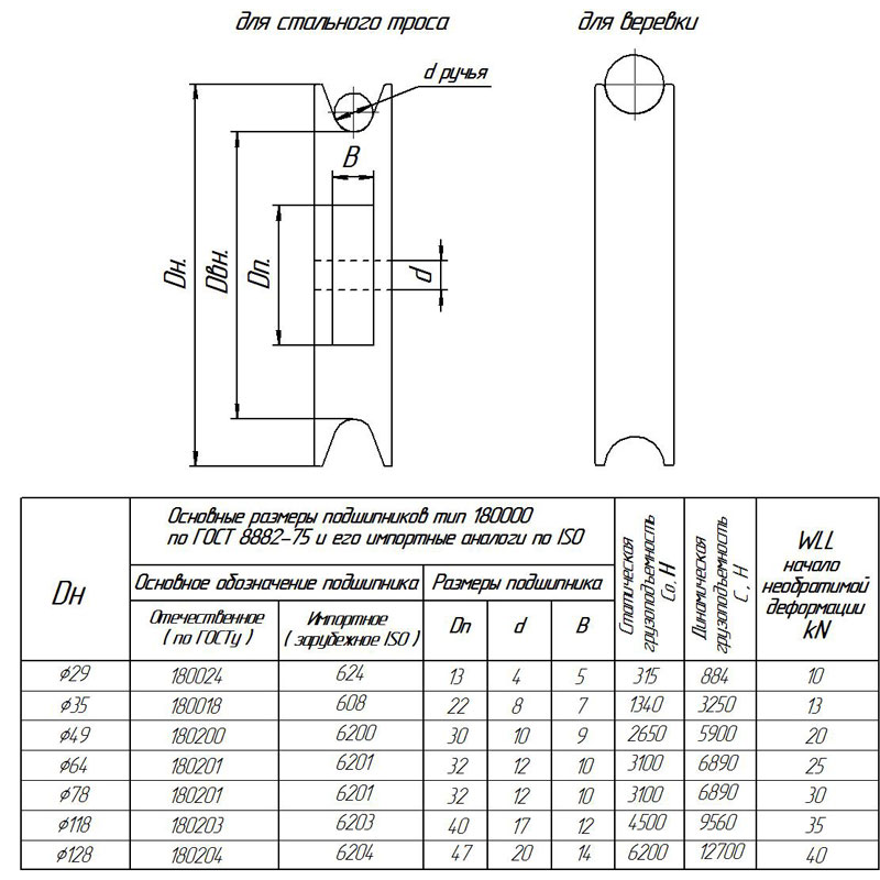
Блок-ролик «СПАСАТЕЛЬ» имеет два исполнения: из конструкционной стали и из алюминиевого сплава.
Особенности
- Служит для изменения направления тягового усилия и для облегчения усилий по поднятию грузов в простейших полиспаст системах.
- Блок-ролик «СПАСАТЕЛЬ» используется с верёвочными канатами диаметром до 12 мм. А ввиду малого диаметра ролика не рекомендуется к использованию со стальными тросами.
- Эллипсное присоединительное отверстие позволяет заводить в него не только соединительные карабины, но и серьги шаклов.
- Ширина «юбки» щёк блока такова, что ни ролик, ни используемый канат не выходят за боковой обрез щёк блока.
- Ролик вращается на шарикоподшипнике качения, который имеет пыле-грязе защищённое исполнение.
- Опционально доступно два варианта фиксации оси ролика: неразъёмное и разъёмное. В разъёмном, что предлагается по умолчанию — ось имеет гаечную фиксацию для возможности проводить регламентные работы. В неразъёмном — ось расклёпана.
Внимание! Необходимо помнить, что при поднятии груза через одинарный блок-ролик, на место прикрепления блока действует ДВОЙНАЯ сила массы груза!
Характеристики
?Бренд товараРазработчик и производитель товараKrok ?MBS, kNMinimum Breaking Strength – минимальная нагрузка на разрыв22 ?WLL, kNWorking Load Limit — предельная рабочая нагрузка.13 ?Диаметр шкива, ммШкив - это ролик35/ 28 Материал корпуса Сталь Материал ролика (шкива) Дюралюминиевый сплав Назначение Спасение, Промышленный альпинизм Вес, гр 110 Документы
ПАСПОРТ изделия Размер: 685,5 кб -
Напишите конструктивный отзыв о товаре, который у вас был или есть с публикацией в любой социальной сети. А мы вам подарим купон, позволяющий получить скидку 5% на один товар из будущего заказа. Напишите пять отзывов и мы вам подарим пять таких купонов.
-
Вы можете задать вопрос по товару в этой форме.
Наши менеджеры получат этот вопрос и постараются ответить на вашу электропочту или позвонив по указанному вами телефону. -
Купить оптом
Оптовые ценыМы предлагаем оптовые цены для постоянных покупателей, с которыми у нас сложились партнёрские отношения и для юридических лиц, для которых у нас работает отдельный офис и склад. Коммерческое предложение можно получить, отправив нам запрос через форму обратной связи. Также можно воспользоваться системой электронного каталога интернет-магазина, добавив желаемые товары в корзину и оформив заказ. Наши менеджеры обработают его, при необходимости проконсультируют вас о специфике и целесообразности покупки того или иного снаряжения и передадут для дальнейшей обработки в оптовый отдел.
Накопление
Накопительная скидка на общую сумму покупок- Покупки на общую сумму от 10 тыс. рублей — скидка 5%
- Покупки на общую сумму от 75 тыс. рублей — скидка 9%
- Покупка на общую сумму от 175 тыс. рублей — скидка 12%
- Покупка на общую сумму от 250 тыс. рублей — скидка 15%
- Покупка на общую сумму от 350 тыс. рублей — скидка 18%*
* Скидка 18% действует только на одежду и не распространяется на снаряжение, палатки, спальники.
Конкретные скидки *
Постоянная дисконтная программа- Сотрудники спасательных подразделений и силовых структур — скидка 12%
- Мастера спорта СССР и России — скидка 12%
- Специалисты канатного доступа (при предъявлении удостоверения) - скидка 12%
- Члены IRATA - скидка 15%
- В день рождения — скидка 18% скидка на одежду, скидка 15% на снаряжение, спальники и палатки
- Члены партнёрских клубов — информация у ответственных представителей клубов
* Скидки предоставляются при предъявлении удостоверения или подтверждающего документа
Клубная программа
Мы стараемся оказывать содействие спортивным и детским клубам, предоставляя скидки и делая специальные акции. Условия получения специальных скидок оговариваются отдельно с организаторами или руководителями клубов.
Для того, чтобы заключить соглашение о совместной выгоде нам потребуются списки членов клуба, если у него нет членских билетов или карточек. Это нам нужно для того, чтобы человек, пришедший для покупки мог быть идентифицирован нами как член клуба и подтвердить этим право на получение скидки.









